一、产品简介
小巧型压力/液位变送器采用高性能的感压芯片,配合先进的电路处理和温度补偿技术,将压力变化转化为线性的电流或电压信号,产品体积小巧,易于安装,采用不锈钢外壳隔离防腐,适于测量与接触部分材质相兼容的气体和液体等介质,它可以用来测量表压、负压和绝压。
二、应用场合
本产品广泛应用于水厂、炼油厂、污水处理厂、建材、轻工、机械等工业领域,实现对液体、气体、蒸气压力的测量。
三、产品特点
1.具有反向性和限流保护; 3.可程控调节;抗振动、抗冲击、防射频电磁干扰;
2.激光调阻温度补偿; 4.过载及抗干扰能力强,经济实用稳定;
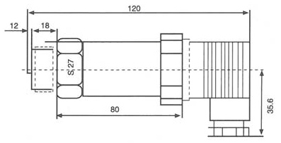
四、外形结构尺寸示意图

VTX310B系列小巧型 外形结构示意图
五、性能参数
1. 测量介质:液体、气体、蒸汽、油等与316兼容的介质;
2. 测量范围:表压(G)——最大(0~60)MPa, 最小(0~0.5)KPa;
绝压(A)——最大(0~60)MPa, 最小(0~5)KPa;
负压(B)——(-100KPa~60)MPa,最小(-0.2~0.2)KPa;
3. 精度等级:0.1%F•S、 0.25%F•S、 0.5%F•S;
4. 长期稳定性:小于0.25%F•S/年,小于0.5%F•S/年;
5. 过载能力:量程的1~2倍;
6. 工作温度:-40℃~80℃;补偿温度:-20℃~70℃;
7. 防护等级:IP65
8. 电源电压:15-36VDC(标定电压24VDC)
9. 输出信号:(4~20)mA(二/三线制)、(0~10/20)mA、(0~5)V、(1-5)V、(0~10)V;
10. 过程连接:M20×1.5外螺纹或用户注明;
六、产品选型
|
产品
|
VTX310B系列小巧型压力/液位变送器
|
|
|
□
|
测量形式及量程
|
|
|
G、表压 A、绝对压力(0~60)MPa B、密封压力 P、平膜型
|
|
□
|
膜片材料
|
|
|
K、扩散硅(默认) T、陶瓷压阻 P、陶瓷电容
|
|
E□
|
输出信号
|
|
|
1、(0~5)VDC 2、二线制(4~20)mA(默认)3、(0~10)mA 4、其它注明
|
|
A□
|
精度
|
|
|
1、0.1%F•S 2、0.25%F•S 3、0.5%F•S
|
|
C□
|
过程连接方式
|
|
|
1、外螺纹M20×1.5(默认) 2、外螺纹G1/2 3、外螺纹NPT1/2
4、其它注明
|
|
R□
|
其综
|
|
|
1、电缆引出 2、赫斯曼接口 3、其它用户约定
|
|